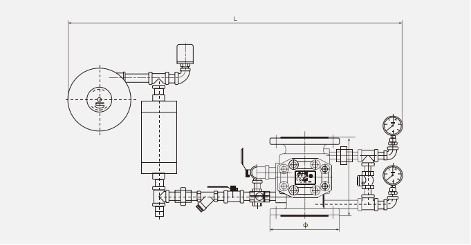
- ZSFZ湿式报警阀系统是自动喷水灭火系统中一种常用的固定灭火系统,它由湿式报警阀(含阀组、水 力警铃 、延迟器 、压力开关等)、水流指示器、消防信 号阀及闭式喷头等组成。该系统长期处于备用工作状态,管网内充满压力水, 当保护区域内某处发生火灾时,环境温度升高,使喷头上的温度敏感元件(玻璃 球)动作,密封组件脱落,自动启动系统,将水直接喷 向火灾发生区域,并发出警报信号以达到报警、灭火、控火目的。适用于能用水灭火的建筑物,通常安 装与有火灾危险的生产场所、仓库、宾馆、商场、医院、剧院、办公楼、高层建筑及车库等。
|
型号规格 |
额定工作压力 (MPa) |
密封试验压力 (MPa) |
强度试验压力 (MPa) |
公称通径 (mm) |
报警阀高度 H(mm) |
法兰外径 φ(mm) |
螺栓孔中径 P(mm) |
螺栓孔数和孔径 (Mm) |
安装宽度L (mm) |
|
ZSFZ80 |
1 .6 |
3.2 |
6.4 |
80 |
248 |
200 |
160 |
8× φ18 |
1050 |
|
ZSFZ100 |
|
|
|
100 |
248 |
220 |
180 |
8× φ18 |
1060 |
|
ZSFZ125 |
|
|
|
125 |
252 |
250 |
210 |
8× φ18 |
1070 |
|
ZSFZ150 |
|
|
|
150 |
265 |
285 |
240 |
8× φ22 |
1090 |
|
ZSFZ200 |
|
|
|
200 |
355 |
340 |
295 |
12× φ22 |
1190 |
|
ZSFZ250 |
|
|
|
250 |
425 |
405 |
355 |
12× φ26 |
1240 |
|
ZSF7300 |
|
|
|
300 |
420 |
460 |
410 |
12× φ28 |
1300 |
-
ZSFZ湿式报警阀ZSFZ湿式报警阀系统是自动喷水灭火系统中一种常用的固定灭火系统,它由湿式报警阀(含阀组、水 力警铃 、延迟器 、压力开关等)、水流指示器、消防信 号阀及闭式喷头等组成。该系统长期…查看详情
-
ZSFZ(G)湿式报警阀(沟槽式)ZSFZ(G)湿式报警阀系统是自动喷水灭火系统中一种常 用的固定灭火系统, 它由湿式报警阀(含阀组 、水力警铃 、延 迟器 、压力开关等) 、水流指示器 、消防信号阀及闭式喷头等 组成。该…查看详情
-
ZSFM雨淋报警阀ZSFM系列隔膜雨淋阀采用三种控制方式控制主阀开启灭火 。 主阀开启后,压力进入压力开关和水力警铃发出警声:压力开关向控制 中心发出信号和开启消防泵 。 隔膜雨淋阀具有防复位结构…查看详情
-
ZSFY预作⽤装置ZSFY预作用装置主要由预作用报警阀组,预作用装置控制盘,气压维持装置,空气供给装置组成。ZSFY型预作用装置是将火灾探测报警技术和自动喷水灭火系统结合起来,对保护对象起双重保护…查看详情


