- Y型法兰过滤器具有结构先进、阻力小、排污时间短、效率高、安装检修方便、成本低等特点。适用介质为水、蒸汽、油,可满足不同管道需求。
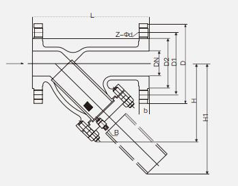
主要外形连接尺⼨单位:mm
|
公称通径 DN |
L |
H |
H1 |
B |
有效过滤面积 (m2) |
重量(Kg) |
|||||
|
SY41C |
SY41S |
||||||||||
|
PN1 .0 |
PN2 .5 |
PN4 .0 |
PN1 .0 |
PN2 .5 |
PN4 .0 |
||||||
SY41C-H10 SY41C-H16 SY41C-H25 SY41C-H40 SY41S-H10 SY41S-H16 SY41S-H25 SY41S-H40
|
15 |
110 |
87 |
120 |
ZG3/8 " |
0.00185 |
2.62 |
2.74 |
2.81 |
2.80 |
2.85 |
2.85 |
|
20 |
130 |
105 |
148 |
ZG1/2 " |
0.00281 |
3.00 |
3.06 |
3.06 |
3.05 |
3.11 |
3.11 |
|
25 |
150 |
114 |
176 |
ZG1/2 " |
0.00343 |
3.70 |
3.98 |
3.98 |
3.80 |
3.84 |
3.84 |
|
32 |
160 |
124 |
193 |
ZG1/2 " |
0.00486 |
5.35 |
5.46 |
5.46 |
5.43 |
5.54 |
5.54 |
|
40 |
200 |
156 |
237 |
ZG1/2 " |
0.00767 |
6.54 |
6.60 |
7.01 |
6.62 |
6.72 |
6.72 |
|
50 |
220 |
181 |
270 |
ZG1/2 " |
0.01160 |
9.21 |
9.46 |
9.97 |
10.9 |
11.1 |
11.1 |
|
65 |
290 |
250 |
369 |
ZG3/4 " |
0.021 1 1 |
20.2 |
21.6 |
22.7 |
22.4 |
23.9 |
24. 1 |
|
80 |
310 |
280 |
429 |
ZG3/4 " |
0.03029 |
23.4 |
25. 1 |
27.4 |
26.6 |
27.7 |
28.5 |
|
100 |
350 |
320 |
488 |
ZG3/4 " |
0.04033 |
31.2 |
34.2 |
38.3 |
34.6 |
37. 1 |
38.8 |
|
125 |
400 |
374 |
547 |
ZG3/4 " |
0.05589 |
44. 1 |
49. 1 |
56.9 |
50.5 |
54.6 |
57.8 |
|
150 |
480 |
430 |
622 |
ZG3/4 " |
0.07709 |
54.5 |
61.3 |
72.0 |
63.9 |
70.7 |
74.2 |
|
200 |
550 |
515 |
741 |
ZG3/4 " |
0.11967 |
81.0 |
93.3 |
127.7 |
85.3 |
97.0 |
120.5 |
主要外形连接尺⼨单位:mm
|
NPS |
DN |
L |
H |
H1 |
B |
有效过滤面积 (m2) |
重量(Kg) |
|||
|
SY41C |
SY41S |
|||||||||
|
in |
mm |
|||||||||
|
150Lb |
300Lb |
150Lb |
300Lb |
|||||||
SY41C-A150 SY41S-A150 SY41C-H300 SY41S-H300
|
1/2 |
15 |
110 |
87 |
120 |
NTP1/8 " |
0.00185 |
1.96 |
2.47 |
2. 10 |
2.51 |
|
3/4 |
20 |
130 |
105 |
148 |
NTP1/2 " |
0.00281 |
2.25 |
3.35 |
2.29 |
3.40 |
|
1 |
25 |
150 |
114 |
176 |
NTP1/2 " |
0.00343 |
3.05 |
4. 19 |
3. 10 |
4.25 |
|
1-1/4 |
32 |
160 |
124 |
193 |
NTP1/2 " |
0.00486 |
4. 14 |
5.85 |
4.21 |
5.64 |
|
1-1/2 |
40 |
200 |
156 |
237 |
NTP1/2 " |
0.00767 |
6.09 |
8.49 |
6.20 |
8.63 |
|
2 |
50 |
220 |
181 |
270 |
NTP1/2 " |
0.01160 |
8.57 |
1 1 .0 |
9.68 |
1 1 .2 |
|
2-1/2 |
65 |
290 |
259 |
369 |
NTP3/4 " |
0.021 1 1 |
22.7 |
27.7 |
23.6 |
29.0 |
|
3 |
80 |
310 |
293 |
429 |
NTP3/4 " |
0.03029 |
25.2 |
37.6 |
27.8 |
38.2 |
|
4 |
100 |
350 |
324 |
488 |
NTP3/4 " |
0.04033 |
33.7 |
58.0 |
36.7 |
57.2 |
|
5 |
125 |
400 |
390 |
547 |
NTP3/4 " |
0.05589 |
48. 1 |
76.4 |
52. 1 |
76.6 |
|
6 |
150 |
480 |
448 |
622 |
NTP3/4 " |
0.07709 |
59.7 |
1 12. 1 |
66.8 |
104.4 |
|
8 |
200 |
550 |
535 |
741 |
NTP3/4 " |
0.11967 |
87.3 |
183.2 |
91.2 |
175.6 |
-
Z85X沟槽暗杆闸阀Z85X沟槽暗杆闸阀是引进国外技术生产的新型闸阀产品,拥有传统阀门所不具备的多种优势,应用范围广泛。它具有开关轻巧、密封可靠、弹性记忆佳及使用寿命长等显著优点。本体采用球墨铸…查看详情
-
Z81X沟槽明杆闸阀Z81X沟槽明杆闸阀是引进国外技术生产的新型闸阀产品,拥有传统阀门所不具备的多种优势,应用范围广泛。它具有开关轻巧、密封可靠、弹性记忆佳及使用寿命长等显著优点。本体采用球墨铸…查看详情
-
Z85T沟槽铜芯防护暗杆闸阀Z85T沟槽暗杆防护铜杆铜芯闸阀是引进国外同类先进产品而设计制造的一系列新型连接阀门。它具有安装快速、简易、安全、可靠、不受安装场地限制、便于管道与阀门的维修保养,有隔振隔音…查看详情
-
Z81T沟槽铜芯防护明杆闸阀Z81T沟槽明杆防护铜杆铜芯闸阀是引进国外同类先进产品而设计制造的一系列新型连接阀门。它具有安装快速、简易、安全、可靠、不受安装场地限制、便于管道与阀门的维修保养,有隔振隔音…查看详情



